双层卸灰阀是一种常见的工业阀门,广泛应用于各种粉体和颗粒物料的输送、储运和卸料过程中。它具有高效、稳定、安全可靠的特点,能够有效地防止粉尘泄漏和环境污染。为了确保双层卸灰阀的正常使用和延长其使用寿命,我们需要了解其正确的使用方法和注意事项。
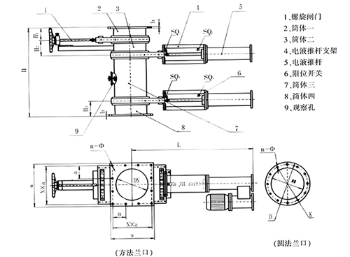
双层卸灰阀主要由阀体、阀板、驱动装置和密封装置等部分组成。其工作原理是通过驱动装置带动阀板转动,实现物料在两个仓之间的切换或全部排出。双层卸灰阀具有结构简单、操作方便、密封性能好等特点。

1. 安装前应检查双层卸灰阀的各部件是否完好无损,特别是密封件和转动部位是否灵活可靠。
2. 根据实际需求和现场情况,确定双层卸灰阀的安装位置和方向,确保其正常工作并方便操作和维护。
3. 安装时需确保阀体与管道连接的密封性,防止粉尘泄漏。
4. 安装完成后,应对双层卸灰阀进行调试,确保其工作正常并符合工艺要求。
1. 操作前应熟悉双层卸灰阀的结构和工作原理,严格按照操作规程进行操作。
2. 在操作过程中,应经常检查密封件和转动部位是否正常,如有异常应及时处理。
3. 定期对双层卸灰阀进行清理和维护,保持其良好的工作状态和外观。
4. 对于长期不使用的双层卸灰阀,应定期进行手动或自动操作,以防止密封件老化或卡死。

1. 密封泄漏:检查密封件是否老化或损坏,如有问题应及时更换。
2. 阀板卡死:应定期对阀板进行润滑和维护,确保其转动灵活。
3. 驱动装置故障:检查驱动装置是否正常工作,如有异常应及时维修或更换。
4. 管道堵塞:定期对管道进行清理和维护,防止物料结块或沉积。
总之,双层卸灰阀作为一种重要的工业阀门,其正确的使用方法和维护保养至关重要。只有在使用过程中注意细节、及时维护,才能确保其高效稳定地运行,为企业创造更大的价值。
浙公网安备 33032402001884号
技术支持:云鼎科技